
咨询热线:15132852272(同微信)
生产地址:河北省衡水市(可现场预制)
产品特点:使用独家商混配方,现有模具数量多,出货速度快
华清诚建设工程有限公司,生产混凝土预制件,主营产品有铁路防护栅栏配套水泥立柱,钢筋混凝土水泥防护栅栏。钢筋混凝土水泥刺绳柱、钢筋混凝土水泥电缆槽、钢筋混凝土桥梁水泥步行板,我厂根据客户的图纸加工生产。承接铁路防护设施安装及更换工程 。
我厂有10年混凝土预制件生产经验,为京张高铁、京雄高铁、京沈高铁、京九铁路、金山铁路、石德铁路等多条铁路线路提供产品。我厂有工人80名,五千套模具,出货快。可提供现场预制服务。源头生产厂家,质量可靠,价格便宜。
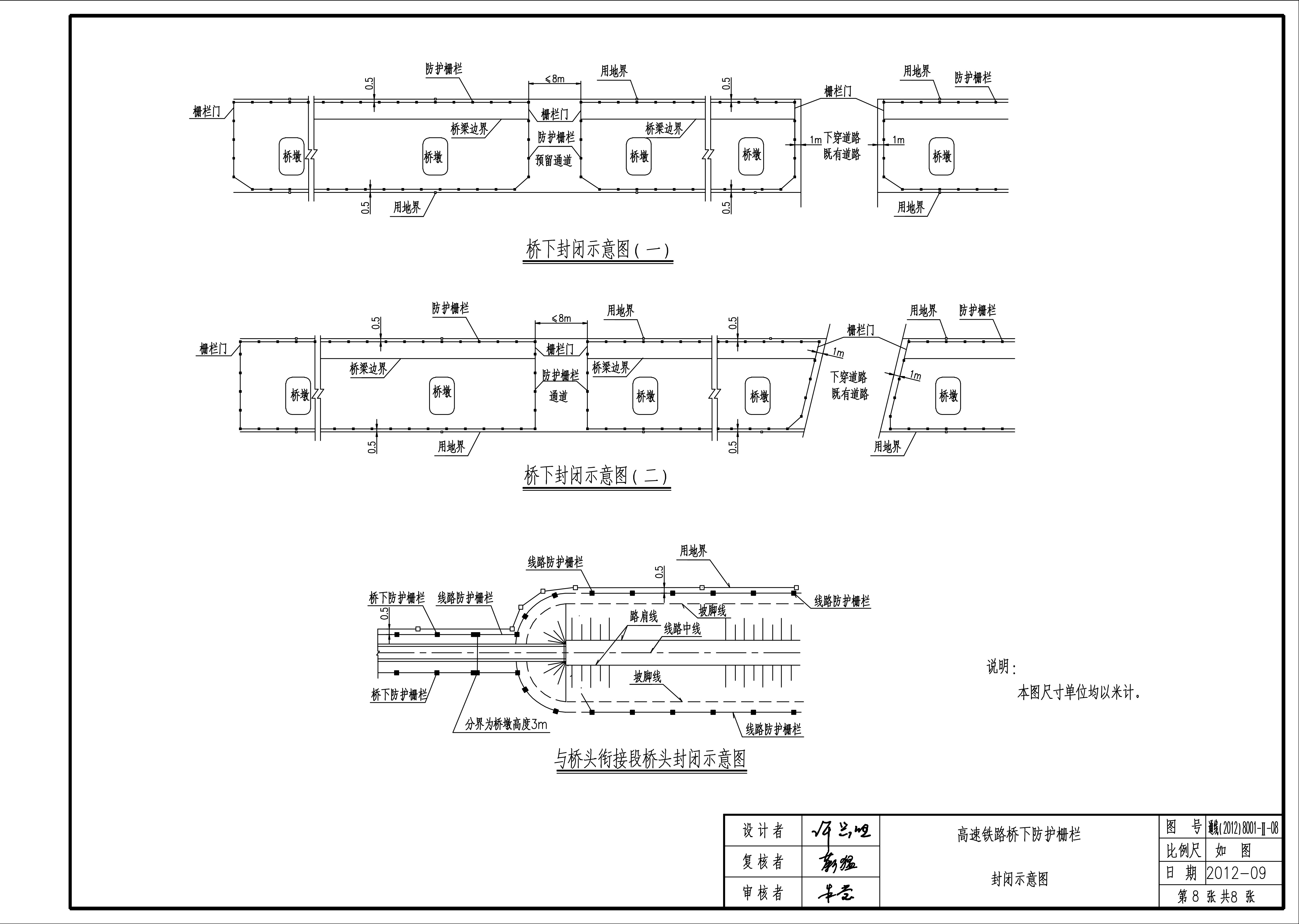
高速铁路桥下防护栅栏通线(2012)8001-Ⅱ高清图纸,保存至本地即可,无法提供下载链接添加微信一次获取全本。
点击查看大图